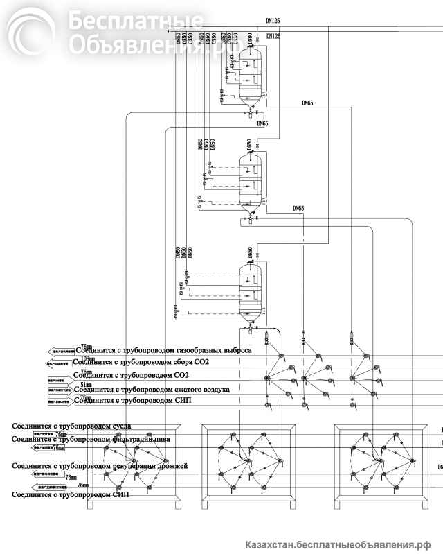
200Т ЦКТ Танк брожения для пивзавода Резервуар для брожения и дображивания пива бродильный чан
1.Сферическая крышка на сверхе, конический конус на дне.
2.Рабочий объем 200 m3,полный объем 240 m3.
3.Три ком-л рубашки ,охлаждающий змеевик-площадь охлаждения 80m2.
4.Рабочее давление 1.5bar,испытательное давление2 bar.
5.Самое высокое рабочее давление в рубашке 4bar.
6.Теплозощитный материал:полиуретан ,толщина теплозощитного слоя 150mm
7.Управление температуры: платинное электросопротивление,Класс А.
8.Масштабность диаметра и высоты 1:2.5
9.Рабочая сфера температуры:-1 90
10.Интегрированное устройство на сверхе танка(пружинный регулирующий клапан давления, вакумный клапан ,вращающее устроиство для промывки ,моющая головка)
Механический клапан регулирования давления, грозозащитное устройство,приваренный санитарноый кран для отбора пробы,смотровое окно в трбопроводе.
11. Диаметр трубы для сусла: 76 мм
12.Диаметр трубы для сепарации и фильтрации76mm
13.Диаметр трубы СИП 76mm
14.Диаметр трубы для сбора СО2 108mm
2.Рабочий объем 200 m3,полный объем 240 m3.
3.Три ком-л рубашки ,охлаждающий змеевик-площадь охлаждения 80m2.
4.Рабочее давление 1.5bar,испытательное давление2 bar.
5.Самое высокое рабочее давление в рубашке 4bar.
6.Теплозощитный материал:полиуретан ,толщина теплозощитного слоя 150mm
7.Управление температуры: платинное электросопротивление,Класс А.
8.Масштабность диаметра и высоты 1:2.5
9.Рабочая сфера температуры:-1 90
10.Интегрированное устройство на сверхе танка(пружинный регулирующий клапан давления, вакумный клапан ,вращающее устроиство для промывки ,моющая головка)
Механический клапан регулирования давления, грозозащитное устройство,приваренный санитарноый кран для отбора пробы,смотровое окно в трбопроводе.
11. Диаметр трубы для сусла: 76 мм
12.Диаметр трубы для сепарации и фильтрации76mm
13.Диаметр трубы СИП 76mm
14.Диаметр трубы для сбора СО2 108mm
| Город: | |
| Тип: | Продаю |
| Автор: |
|
На сайте с 06.08.2025
|
|
| Дата: | 06.08.2025 10:50 |
| Номер: | 2675072 |
Сделать объявление:
Ссылка на это объявление:
Похожие объявления
Кегимойка для пивных кеги бочков
Без цены
06.08.2025
Электроказан ТОП-2Б (очаг) под казан объемом 60-80 л. и более
485 000 тг.
08.11.2025
Пищевые рукава
Без цены
02.12.2025
Радиатор для солодовни
111 тг.
06.08.2025
Этикетировочная машина полуавтоматическая
Без цены
06.08.2025
Оборудование Технологическое Для Пивоваренной Промышленности
Без цены
06.08.2025
Наша компания продаёт оборудование 2D-принтер с программным обеспечением
Без цены
18.03.2025
Электрошашлычница ТОП-1С (Бездымная)
214 000 тг.
08.11.2025
Бассейны для разведения рыбы, раков и т. д.
500 000 тг.
11.07.2025
Сита для сушилки солодового цеха
222 тг.
06.08.2025
Электрошашлычница ТОП-1Б (Бездымная)
390 000 тг.
08.11.2025
Аппарат розлива пива в алюминиевые банки и укупорка
Без цены
06.08.2025
Электроказан ТОП - 2С (очаг) под казан объемом 30 л
420 000 тг.
08.11.2025
Форфасные Танки
Без цены
06.08.2025
Полностью автоматизированная линия по мойке и наполнению пивных КЕГ бочек
Без цены
06.08.2025
Аппарат для наполнения пива в кеги бочки
Без цены
06.08.2025
Датчик температуры C2105Y
Без цены
06.08.2025
Аппарат розлива пива в стеклянные бутылки
Без цены
06.08.2025
Варочный цех Варочный порядок для крупного пивзавода
Без цены
06.08.2025
Аппарат розлива пива в PET 1.5L и укупорка
Без цены
06.08.2025
Оборудование Для Пивоваренной Промышленности (Пивоварня)
Без цены
06.08.2025
Машина два в одном для Кегимойки и наполнения пива
Без цены
06.08.2025
Пищевой шланг со стальной проволокой
Без цены
06.08.2025
Пивоваренное Оборудование 500л пивоварня минипивоварня
Без цены
06.08.2025
Обратный осмос
5 000 $
16.09.2023
Электрошашлычница Ф 3 Ш Э (Бездымная)
726 000 тг.
26.01.2024
Оборудование для производства солода солодовня
555 тг.
06.08.2025
Оборудование распространения и выращивания для дрожжей
Без цены
06.08.2025
Электроказан ПГС-029М (очаг) под казан объемом 8 л
140 000 тг.
08.11.2025
Электрошашлычница Ф 1 Ш с тЭ (Бездымная)
306 000 тг.
26.01.2024

1.Кол-во бака моющего раствора :3 штук; 2.Название бака моющего раствора :бак для горячей воды + бак для щелочной воды +бак для дезинфициру...